南京诚毅创科技发展有限公司以雄厚的实力和良好的信誉代理德国希控(SIKO)是德国SIKO公司在中国地区的主要代理商,主要负责SIKO产品销售、技术支持、售后服务工作。
设为首页
|
加入收藏
025-85312137/13809022879
首页
关于我们
公司简介
公司荣誉
产品中心
位置指示器
旋转编码器
拉绳编码器
定位驱动器
磁性长度和角度测量
视频中心
新闻中心
关于SIKO
关于SIKO
联系我们
产品分类
位置指示器
机械式数字位置指示器
电子式数字位置指示器
调节旋钮
模拟式位置指示器
夹板
旋转编码器
增量式旋转编码器
绝对值旋转编码器
齿轮电位计
电子测量显示器
拉绳编码器
线拉编码器
用于液压缸的拉绳编码器
定位驱动器
-> 现场总线的定位驱动器
磁性长度和角度测量
磁性传感器
磁栅尺
磁环
测量值显示器
南京诚毅创科技发展有限公司
地址:南京市玄武区太平北路51号太平商务大厦705室
电话:025-85312137
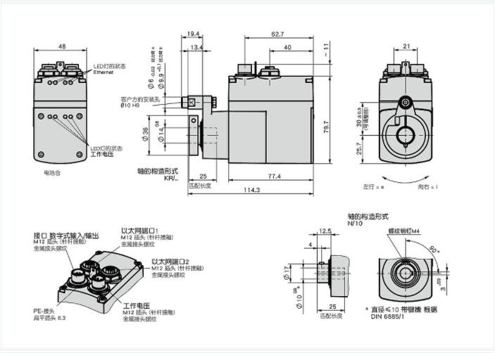
现场总线的定位驱动器
位置:
首页
>>产品中心>>现场总线的定位驱动器
AG25
产品型号:AG25
产品产地:德国
发布日期:
2019-03-04
浏览次数:
次
咨询电话:
13809022879
关 键 词:定位驱动器
点击下载文件
分享到:
上一个产品
详细介绍